Product Summary
The 6MBP50RTA060-01 belongs to IPM-R3 series.
Parametrics
6MBP50RTA060-01 absolute maximum ratings: (1)DC bus voltage: 450V; (2)DC bus voltage (surge): 500V; (3)DC bus voltage (short operating): 200 to 400V; (4)Collector-Emitter voltage: 600V; (5)Junction temperature: 150℃; (6)Input voltage of power supply for Pre-Driver: -0.5 to 20V; (7)Input signal voltage: -0.5 to Vcc+0.5V; (8)Input signal current: 3mA; (9)Alarm signal voltage: -0.5 to Vcc V; (10)Alarm signal current: 20mA; (11)Storage temperature: -40 to 125℃; (12)Operating case temperature: -20 to 100℃.
Features
6MBP50RTA060-01 features: (1)Temperature protection provided by directly detecting the junction temperature of the IGBTs; (2)Low power loss and soft switching; (3)High performance and high reliability IGBT with overheating protection; (4)Higher reliability because of a big decrease in number of parts in built-in control circuit.
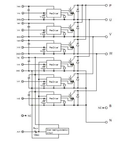
Diagrams

|  |  6MBP 150RA-060 |  Other |  |  Data Sheet |  Negotiable |  | ||||
|  |  6MBP 15RH-060 |  Other |  |  Data Sheet |  Negotiable |  | ||||
|  |  6MBP 75RA-120 |  Other |  |  Data Sheet |  Negotiable |  | ||||
|  |  6MBP100RTA-060 |  Other |  |  Data Sheet |  Negotiable |  | ||||
|  |  6MBP100RTB060 |  Other |  |  Data Sheet |  Negotiable |  | ||||
|  |  6MBP150RA120 |  Other |  |  Data Sheet |  Negotiable |  | ||||
 (China (Mainland))
 (China (Mainland)) 
                         
                        
 
                                    




