Product Summary
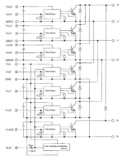
The 7MBP50RA120 is an IGBT-IPM.
Parametrics
7MBP50RA120 absolute maximum ratings: (1)DC bus voltage, VCC: 0 to 900V; (2)DC bus voltage (surge), VDC: 0 to 1000V; (3)DC bus voltage (short operating), VSC: 200 to 800V; (4)INV, collector current, DC, IC: 50A max; 1ms, ICP: 100A; duty=62.6%, -IC: 50A; collector power dissipation one transistor, PC: 357W; (5)DB, collector current, DC, IC: 25A; 1ms, ICP: 50A; forward current of diode, IF: 25A; collector power dissipation one transistor, PC: 198W; (6)junction temperature, Tj: 150℃; (7)input voltage of power supply for pre-driver, VCC: -0.5 to 20V; (8)input signal voltge, Vin: -0.5 to 0.5+Vcc; (9)input signal current, Iin: 3mA; (10)alarm signal voltage, VALMA: -0.5 to VCC; (11)alarm signal current, IALM: 20mA; (12)storage temperature, Tstg: -40 to 125℃; (13)operating case temperature, Top: -20 to 100℃; (14)isolation voltage (case-terminal), Viso: AC2.5KV max.
Features
7MBP50RA120 features: (1)Temperature protection provided by directly detecting the junction temperature of the IGBTs.; (2)Low power loss and soft switching.; (3)High performance and high reliability IGBT with overheating protection.; (4)Both P-side and N-side alarm output available.; (5)Higher reliability because of a big decrease in number of parts in built-in control circuit.
Diagrams

![]() |
![]() 7MBP100RA060 |
![]() Other |
![]() |
![]() Data Sheet |
![]() Negotiable |
|
||||
![]() |
![]() 7MBP100RTB060 |
![]() Other |
![]() |
![]() Data Sheet |
![]() Negotiable |
|
||||
![]() |
![]() 7MBP100TEA060 |
![]() Other |
![]() |
![]() Data Sheet |
![]() Negotiable |
|
||||
![]() |
![]() 7MBP150RA060 |
![]() Other |
![]() |
![]() Data Sheet |
![]() Negotiable |
|
||||
![]() |
![]() 7MBP150RTB060 |
![]() Other |
![]() |
![]() Data Sheet |
![]() Negotiable |
|
||||
![]() |
![]() 7MBP25RA120 |
![]() Other |
![]() |
![]() Data Sheet |
![]() Negotiable |
|
||||
(China (Mainland))








