Product Summary
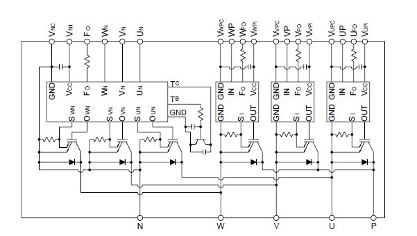
Mitsubishi Intelligent Power Module PM75RSA060 is an isolated base module designed for power switching applications operating at frequencies to 20kHz. Built-in control circuits of PM75RSA060 provide optimum gate drive and protection for the IGBT and free-wheel diode power devices.
Parametrics
PM75RSA060 absolute maximum ratings: (1)Power Device Junction Temperature Tj: -20 to 150 ℃; (2)Storage Temperature Tstg: -40 to 125 ℃; (3)Case Operating Temperature TC: -20 to 100 ℃; (4)Mounting Torque, M4 Mounting Screws: 0.98 ~ 1.47 N · m; (5)Module Weight (Typical): 60 Grams; (6)Supply Voltage Protected by OC and SC (VD = 13.5 - 16.5V, Inverter Part) VCC(prot.): 400 Volts; (7)Isolation Voltage (Main Terminal to Baseplate, AC 1 min.) Viso: 2500 Vrms.
Features
PM75RSA060 features: (1)Complete Output Power Circuit; (2)Gate Drive Circuit; (3)Protection Logic: Short Circuit; Over Current; Over Temperature; Under Voltage.
Diagrams

| Image | Part No | Mfg | Description |  | Pricing (USD) | Quantity | ||||||||||||||
|---|---|---|---|---|---|---|---|---|---|---|---|---|---|---|---|---|---|---|---|---|
|  |  PM75RSA060 |  |  MOD IPM 3PHASE IGBT 600V 75A |  Data Sheet |  Negotiable |  | ||||||||||||||
| Image | Part No | Mfg | Description |  | Pricing (USD) | Quantity | ||||||||||||||
|  |  PM75-100K |  |  INDUCTOR UNSHIELD 10UH 10% SMT |  Data Sheet |  Negotiable |  | ||||||||||||||
|  |  PM75-100K-RC |  Bourns |  Power Inductors 10uH 10% |  Data Sheet |  
 |  | ||||||||||||||
|  |  PM75-101K |  |  INDUCTOR UNSHIELD 100UH 10% SMT |  Data Sheet |  Negotiable |  | ||||||||||||||
|  |  PM75-101K-RC |  J.W. Miller |  Power Inductors Power Inductor, Non-Shielded |  Data Sheet |  Negotiable |  | ||||||||||||||
|  |  PM75-120K |  |  INDUCTOR UNSHIELD 12UH 10% SMT |  Data Sheet |  Negotiable |  | ||||||||||||||
|  |  PM75-120K-RC |  J.W. Miller |  Power Inductors MAGNETICS - NON-SHIELDED POWER INDUCTOR |  Data Sheet |  Negotiable |  | ||||||||||||||
 (China (Mainland))
 (China (Mainland)) 
                         
                        
 
                                    




