Product Summary
The 16F10 is a Standard Recovery Diode. It is used in Battery charges, Converters, Power supplies, Machine tool controls.
Parametrics
16F10 absolute maximum ratings: (1)IF(AV): 16 A; (2)IF(RMS): 25 A; (3)IFSM: 350A at 50 Hz; 370A at 60 Hz; (4)I2t: 612 A2s at 50 Hz; 560A2s at 60 Hz; (5)VRRM: 100 to 1200 V; (6)TJ: - 65 to 175 ℃.
Features
16F10 features: (1)High surge current capability; (2)Stud cathode and stud anode version; (3)Wide current range; (4)Types up to 1200 V VRRM; (5)RoHS compliant; (6)Designed and qualified for industrial and consumer level.
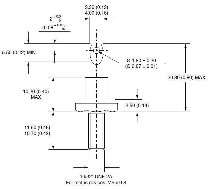
Diagrams

| Image | Part No | Mfg | Description | ![]() |
Pricing (USD) |
Quantity | ||||||
|---|---|---|---|---|---|---|---|---|---|---|---|---|
![]() |
![]() 16F100 |
![]() |
![]() DIODE STD REC 1000V 16A DO-4 |
![]() Data Sheet |
![]()
|
|
||||||
![]() |
![]() 16F10 |
![]() |
![]() DIODE STD REC 100V 16A DO-4 |
![]() Data Sheet |
![]()
|
|
||||||
(China (Mainland))









