Product Summary
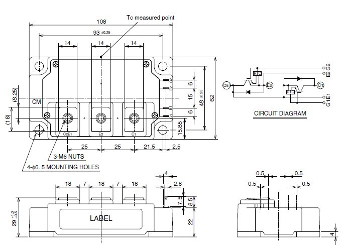
The CM400DY1-12E is a Mitsubishi IGBT module.
Parametrics
CM400DY1-12E absolute maximum ratings: (1)Collector-emitter voltage: 600 V; (2)Gate-emitter voltage: ±20V; (3)Collector current: 400A; (4)Emitter current: 400A; (5)Maximum collector dissipation: 1130W; (6)Junction temperature: -40 to +150℃; (7)Storage temperature: -40 to +125℃; (8)Isolation voltage: 2500V.
Features
CM400DY1-12E features: (1)IC: 400A; (2)VCES: 600V; (3)Insulated Type; (4)2-elements in a pack.
Diagrams

![]() |
![]() CM400DU-12F |
![]() |
![]() IGBT MOD DUAL 600V 400A F SER |
![]() Data Sheet |
![]()
|
|
||||||||||||||||
![]() |
![]() CM400DU-12H |
![]() |
![]() IGBT MOD DUAL 600V 400A U SER |
![]() Data Sheet |
![]()
|
|
||||||||||||||||
![]() |
![]() CM400DU-12NFH |
![]() |
![]() IGBT MOD DUAL 600V 400A NFH SER |
![]() Data Sheet |
![]()
|
|
||||||||||||||||
![]() |
![]() CM400DU-24F |
![]() |
![]() IGBT MOD DUAL 1200V 400A F SER |
![]() Data Sheet |
![]()
|
|
||||||||||||||||
![]() |
![]() CM400DU-24H |
![]() |
![]() IGBT MOD DUAL 1200V 400A U SER |
![]() Data Sheet |
![]()
|
|
||||||||||||||||
![]() |
![]() CM400DU-24NFH |
![]() |
![]() IGBT MOD DUAL 1200V 400A NFH SER |
![]() Data Sheet |
![]()
|
|
||||||||||||||||
(China (Mainland))








