Product Summary
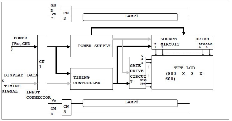
The LB121S02 is a color active matrix liquid crystal display with an integral Cold Cathode Fluorescent Lamp (CCFL) backlight system. The matrix employs a-Si Thin Film Transistor as the active element. It is a transmissive type display operating in the normally white mode. This TFT-LCD has 12.1 inches diagonally measured active display area with SVGA resolution. The LB121S02 has been designed to apply the interface method that enables low power, high speed, low EMI. It is intended to support applications where thin thickness, low power are critical factors and graphic displays are important.
Parametrics
LB121S02 absolute maximum ratings: (1)Power Input Voltage VCC: min=-0.3Vdc, max=4.0Vdc; (2)Operating Temperature TOP: min=0, max=50℃; (3)Storage Temperature TST: min=-20℃, max=60℃; (4)Operating Ambient Humidity HOP: min=10%RH, max=90%RH; (5)Storage Humidity HST: min=10%RH, max=90%RH.
Features
LB121S02 features: (1)Active Screen Size: 12.1 inches(30.75cm) diagonal; (2)Outline Dimension: 280(H) × 218(V) × 11(D) mm; (3)Pixel Pitch: 0.3075 mm × 0.3075 mm; (4)Pixel Format: 800 horiz. By 600 vert. Pixels RGB strip arrangement; (5)Color Depth: 6-bit, 262,144 colors; (6)Luminance, White: 300 cd/m2(Typ.); (7)Power Consumption: 7.8 Watt(Typ.); (8)Weight: 675 g (Max.); (9)Display Operating Mode: Transmissive mode, normally white; (10)Surface Treatment: Anti-glare treatment.
Diagrams

![]() |
![]() LB1205 |
![]() Other |
![]() |
![]() Data Sheet |
![]() Negotiable |
|
||||
![]() |
![]() LB1205M |
![]() Other |
![]() |
![]() Data Sheet |
![]() Negotiable |
|
||||
![]() |
![]() LB1213M |
![]() Other |
![]() |
![]() Data Sheet |
![]() Negotiable |
|
||||
![]() |
![]() LB1256M |
![]() Other |
![]() |
![]() Data Sheet |
![]() Negotiable |
|
||||
![]() |
![]() LB1256M-E |
![]() Seiko Instruments |
![]() Printers MTP Character Head Driver |
![]() Data Sheet |
![]() Negotiable |
|
||||
![]() |
![]() LB1257-E |
![]() Seiko Instruments |
![]() Printers MTP Graphic Head Driver |
![]() Data Sheet |
![]() Negotiable |
|
||||
(China (Mainland))








