Product Summary
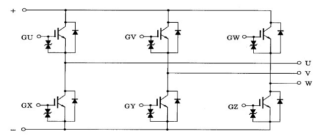
The MP6750 is a silicon N channel IGBT.
Parametrics
MP6750 absolute maximum ratings: (1)Collector-Emitter Voltage VCES: 600V; (2)Gate-Emitter Voltage VGES: ±20V; (3)Collector Current DC IC: 15A; 1ms ICP: 30A; (4)Forward Current DC IF: 15A; 1ms IFM: 30A; (5)Collector Power Dissipation (TC = 25℃) PC: 55W; (6)Junction Temperature Tj: 150℃; (7)Storage Temperature Range Tstg: -40~125℃; (8)Isolation Voltage VIsol: 2500 (AC 1 minute)V; (9)Screw Torque: 1.5N-m.
Features
MP6750 features: (1)The Electrodes are Isolated from Case; (2)6 IGBTs are Built Into 1 Package; (3)Enhancement-Mode; (4)Low Saturation Voltage: VCE (sat) = 4.0V (Max.) (IC = 20A); (5)High Speed: tf= 0.35μs (Max.) (IC = 20A) trr = 0.15μs (Max.) (IF = 20A).
Diagrams

| Image | Part No | Mfg | Description | ![]() |
Pricing (USD) |
Quantity | ||||
|---|---|---|---|---|---|---|---|---|---|---|
![]() |
![]() MP6750 |
![]() Other |
![]() |
![]() Data Sheet |
![]() Negotiable |
|
||||
| Image | Part No | Mfg | Description | ![]() |
Pricing (USD) |
Quantity | ||||
![]() |
![]() MP6750 |
![]() Other |
![]() |
![]() Data Sheet |
![]() Negotiable |
|
||||
![]() |
![]() MP6751 |
![]() Other |
![]() |
![]() Data Sheet |
![]() Negotiable |
|
||||
![]() |
![]() MP6754 |
![]() Other |
![]() |
![]() Data Sheet |
![]() Negotiable |
|
||||
![]() |
![]() MP6759 |
![]() Other |
![]() |
![]() Data Sheet |
![]() Negotiable |
|
||||
(China (Mainland))









