Product Summary
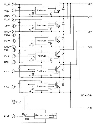
Mitsubishi Intelligent Power PM15RSH120 is an isolated base module designed for power switching applications operating at frequencies to 20kHz. The PM15RSH120 provides optimum gate drive and protection for the IGBT and free-wheel diode power devices.
Parametrics
PM15RSH120 absolute maximum ratings: (1)Power Device Junction Temperature Tj: -20 to 150 ℃; (2)Storage Temperature Tstg: -40 to 125 ℃; (3)Case Operating Temperature TC: -20 to 100 ℃; (4)Mounting Torque, M4 Mounting Screws: 0.98 ~ 1.47 N · m; (5)Module Weight (Typical): 100 Grams; (6)Supply Voltage Protected by OC and SC: VCC(prot.) 800 Volts; (7)Isolation Voltage (Main Terminal to Baseplate, AC 1 min.) Viso: 2500 Vrms.
Features
PM15RSH120 features: (1)Complete Output Power Circuit; (2)Gate Drive Circuit; (3)Protection Logic.
Diagrams

| Image | Part No | Mfg | Description |  | Pricing (USD) | Quantity | ||||||
|---|---|---|---|---|---|---|---|---|---|---|---|---|
|  |  PM15RSH120 |  |  MOD IPM 7PAC 1200V 15A |  Data Sheet |  Negotiable |  | ||||||
| Image | Part No | Mfg | Description |  | Pricing (USD) | Quantity | ||||||
|  |  PM150CBS060 |  Other |  |  Data Sheet |  Negotiable |  | ||||||
|  |  PM150CL1A060 |  Other |  |  Data Sheet |  Negotiable |  | ||||||
|  |  PM150CL1A120 |  Other |  |  Data Sheet |  Negotiable |  | ||||||
|  |  PM150CL1B060 |  Other |  |  Data Sheet |  Negotiable |  | ||||||
|  |  PM150CLA060 |  |  MOD IPM L-SER 6PAC 600V 150A |  Data Sheet |  
 |  | ||||||
|  |  PM150CLA120 |  |  MOD IPM L-SER 6PAC 1200V 150A |  Data Sheet |  
 |  | ||||||
 (China (Mainland))
 (China (Mainland)) 
                         
                        
 
                                    




