Product Summary
The NL6448AC20-06 is a TFT(thin film transistor) active matrix color liquid crystal display(LCD) comprising amorphous silicon TFT attached to each signal electrode, a driving circuit and a backlight. The NL6448AC20-06 has a built-in backlight. Backlight includes long-life-lamps and its lamps are replaceable.
Parametrics
NL6448AC20-06 absolute maximum ratings: (1)Supply voltage: -0.3 to 6.5V, Ta= 25℃, V1-Vcc<3.0; (2)Input voltage: -0.3 to 6.5V, Ta= 25℃, V1-Vcc<3.0; (3)Storage tempature: -20 to 60℃; (4)Operating temperature: 0 to 60℃; (5)Humidity: ≦95% relative humidity, Ta≦40℃; (6)Humidity: ≦85% relative humidity, 40<Ta≦50℃.
Features
NL6448AC20-06 features: (1)High luminance (200 cd/m2 Typ.: saturated value); (2)Low reflection; (3)Wide viewing angle with retardation film; (4)Display reverse scan function; (5)6-bit/4-bit digital RGB signals; (6)Edge type backlight with long-life-lamps (Two lamp holders, inverter); (7)Variable luminance control; (8)Backlight lamp holder (65LHS-3L) replaceable; (9)Compatible to the mounting hole position of NL6448AC20-02 except for inverter.
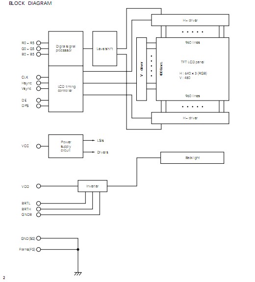
Diagrams

| Image | Part No | Mfg | Description |  | Pricing (USD) | Quantity | ||||
|---|---|---|---|---|---|---|---|---|---|---|
|  |  NL6448AC20-06 |  Other |  |  Data Sheet |  Negotiable |  | ||||
| Image | Part No | Mfg | Description |  | Pricing (USD) | Quantity | ||||
|  |  NL6448AC20-06 |  Other |  |  Data Sheet |  Negotiable |  | ||||
|  |  NL6448AC20-08 |  Other |  |  Data Sheet |  Negotiable |  | ||||
|  |  NL6448AC33-18A |  Other |  |  Data Sheet |  Negotiable |  | ||||
|  |  NL6448AC33-29 |  Other |  |  Data Sheet |  Negotiable |  | ||||
|  |  NL6448BC20-08 |  Other |  |  Data Sheet |  Negotiable |  | ||||
|  |  NL6448BC33-31 |  Other |  |  Data Sheet |  Negotiable |  | ||||
 (China (Mainland))
 (China (Mainland)) 
                         
                        
 
                                    




