Product Summary
The QM50TX-H is a Mitsubishi transistor module. The applications of QM50TX-H are: Inverters, Servo drives, UPS, DC motor controllers, NC equipment, Welders.
Parametrics
QM50TX-H absolute maximum ratings: (1)VCEX (SUS) Collector-emitter voltage IC=1A, VEB=2V: 600V; (2)VCEX Collector-emitter voltage VEB=2V: 600V; (3)VCBO Collector-base voltage: 1000V; (4)VEBO Emitter-base voltage: 7V; (5)IC Collector current: 50A; (6)–IC Collector reverse current: DC(forward diode current): 50A; (7)PC Collector dissipation TC=25℃: 310W; (8)IB Base current DC: 3A; (9)–ICSM Surge collector reverse current(forward diode current): 500A; (10)Tj Junction temperature: –40~+150 ℃; (11)Tstg Storage temperature: –40~+125 ℃; (12)Viso Isolation voltage: 2500V.
Features
QM50TX-H features: (1)IC Collector current: 50A; (2)VCEX Collector-emitter voltage: 600V; (3)hFE DC current gain: 75; (4)Insulated Type; (5)UL Recognized.
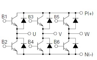
Diagrams

| Image | Part No | Mfg | Description | ![]() |
Pricing (USD) |
Quantity | ||||
|---|---|---|---|---|---|---|---|---|---|---|
![]() |
![]() QM50TX-H |
![]() Other |
![]() |
![]() Data Sheet |
![]() Negotiable |
|
||||
![]() |
![]() QM50TX-HB |
![]() Other |
![]() |
![]() Data Sheet |
![]() Negotiable |
|
||||
(China (Mainland))









