Product Summary
The QM75TX-H is an insulated type MITSUBISHI transistor module used as high power switching. It has a wide application in AC motor controllers, UPS, DC motor controllers, NC equipment, Welders and so on.
Parametrics
QM75TX-H absolute maximum ratings: (1)Collector-emitter voltage at IC=1A, VEB=2V, VCEX (SUS): 600V; (2)Collector-emitter voltage, at VEB=2V, VCEX: 600V; (3)Collector-base voltage at Emitter open, VCBO: 600V; (4)Emitter-base voltage, at Collector open, VEBO: 7V; (5)Collector current, at DC, IC: 75A; (6)Collector reverse current, at DC (forward diode current), –IC: 75A; (7)Collector dissipation, at TC=25℃, PC: 350W; (8)Base current, at DC, IB: 4.5A; (9)Surge collector reverse current(forward diode current), at Peak value of one cycle of 60Hz (half wave), –ICSM: 750A ; (10)Junction temperature, Tj: –40 to +150℃; (11)Storage temperature, Tstg: –40 to +125℃; (12)Isolation voltage, at Charged part to case, AC for 1 minute, Viso: 2500V; (13)Mounting torque, at Main terminal screw M4: 0.98 to 1.47N·m; (14)Mounting torque, at Main terminal screw M4: 10 to 15kg·cm; (15)Mounting torque, at Mounting screw M5: 1.47 to 1.96N·m; (16)Mounting torque, at Mounting screw M5: 15 to 20kg·cm; (17)Weight, at Typical value: 520g.
Features
QM75TX-H features: (1)IC Collector current: 75A; (2)VCEX Collector-emitter voltage: 600V; (3)hFE DC current gain: 75; (4)Insulated Type; (5)UL Recognized.
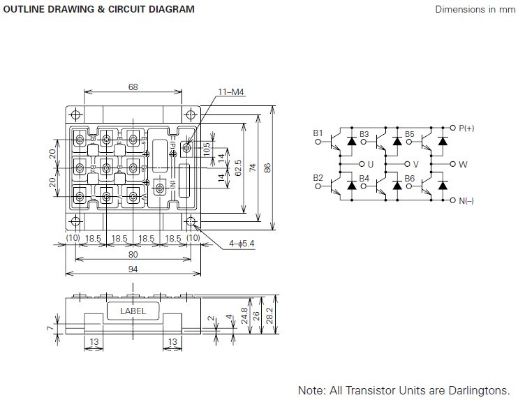
Diagrams

| Image | Part No | Mfg | Description | ![]() |
Pricing (USD) |
Quantity | ||||
|---|---|---|---|---|---|---|---|---|---|---|
![]() |
![]() QM75TX-H |
![]() Other |
![]() |
![]() Data Sheet |
![]() Negotiable |
|
||||
![]() |
![]() QM75TX-HB |
![]() Other |
![]() |
![]() Data Sheet |
![]() Negotiable |
|
||||
(China (Mainland))









