Product Summary
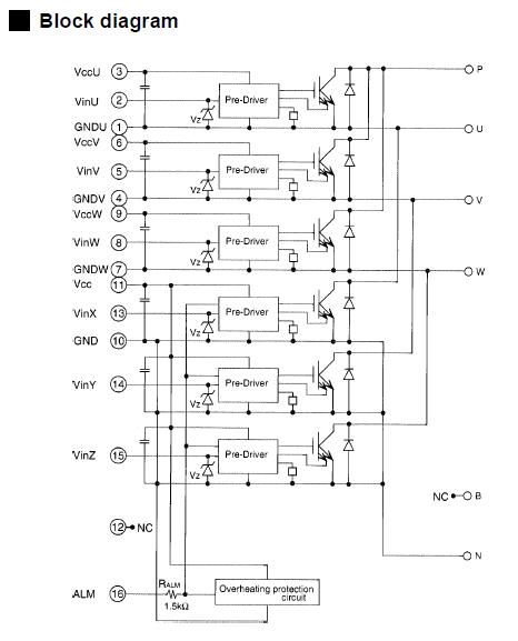
The 6MBP50RA060-01 is an IGBT-IPM.
Parametrics
6MBP50RA060-01 absolute maximum ratings: (1)DC bus voltage: 0 to 450 V; (2)DC bus voltage (surge): 0 to 500 V; (3)DC bus voltage (short operating): 200 to 400 V; (4)Collector-Emitter voltage: 0 to 600 V; (5)Junction temperature: 150; (6)Input voltage of power supply for Pre-Driver: 20 V; (7)Input signal voltage: 0 to Vz; (8)Input signal current: 1 mA; (9)Alarm signal voltage: 0 to Vcc; (10)Alarm signal current: 15 mA; (11)Storage temperature: -40 to 125 ℃; (12)Operating case temperature: -20 to 100 ℃.
Features
6MBP50RA060-01 features: (1)Temperature protection provided by directly detecting the junction temperature of the IGBTs; (2)Low power loss and soft switching; (3)High performance and high reliability IGBT with overheating protection; (4)Higher reliability because of a big decrease in number of parts in built-in control circuit.
Diagrams

|  |  6MBP 150RA-060 |  Other |  |  Data Sheet |  Negotiable |  | ||||
|  |  6MBP 15RH-060 |  Other |  |  Data Sheet |  Negotiable |  | ||||
|  |  6MBP 75RA-120 |  Other |  |  Data Sheet |  Negotiable |  | ||||
|  |  6MBP100RTA-060 |  Other |  |  Data Sheet |  Negotiable |  | ||||
|  |  6MBP100RTB060 |  Other |  |  Data Sheet |  Negotiable |  | ||||
|  |  6MBP150RA120 |  Other |  |  Data Sheet |  Negotiable |  | ||||
 (China (Mainland))
 (China (Mainland)) 
                         
                        
 
                                    



