Product Summary
The SP14Q002-A1 is a LCD display module.
Parametrics
SP14Q002-A1 absolute maximum ratings: (1)operating ambient temperature: 0 to 50℃; (2)storage ambient temperature: -20 to 60℃.
Features
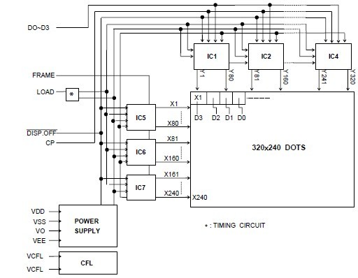
SP14Q002-A1 features: (1)outer dimensions: 167.0(W)mm×109.0(H)mm×10.0(D)mm max; (2)effective display area: 120(W)mm min×89(H)mm min; (3)dot size: 0.345(W)min×0.345(H)min; (4)dot pitch: 0.360(W)mm×0.360(H)mm; (5)duty ratio: 1/240; (6)LCD type: transmissive type F-STN with glare type upper polarizer; (7)viewing direction: 6 O clock.
Diagrams

![]() |
![]() SP1481E |
![]() Other |
![]() |
![]() Data Sheet |
![]() Negotiable |
|
||||||||||||
![]() |
![]() SP1481ECN-L |
![]() Exar |
![]() Universal Bus Functions RS485 w/shutdown temp 0C to 70C |
![]() Data Sheet |
![]()
|
|
||||||||||||
![]() |
![]() SP1481ECN-L/TR |
![]() Exar |
![]() Universal Bus Functions 20MBPS HALF-DUPLEX +/-15KV ESD 0-70C |
![]() Data Sheet |
![]()
|
|
||||||||||||
![]() |
![]() SP1481EEN-L |
![]() Exar |
![]() Universal Bus Functions RS485 w/shutdown temp -40C to 85C |
![]() Data Sheet |
![]()
|
|
||||||||||||
![]() |
![]() SP1481EEN-L/TR |
![]() Exar |
![]() Universal Bus Functions 20MBPS HALF-DUPLEX +/-15KV ESD -40-85C |
![]() Data Sheet |
![]()
|
|
||||||||||||
![]() |
![]() SP1485ECN-L |
![]() Exar |
![]() Universal Bus Functions RS485 no shutdown temp 0C to 70C |
![]() Data Sheet |
![]()
|
|
||||||||||||
(China (Mainland))









