Product Summary
The QM100DY-H is a Mitsubishi transistor module.
Parametrics
QM100DY-H absolute maximum ratings: absolute maximum ratings: (1)VCEX (SUS) Collector-emitter voltage IC=1A, VEB=2V: 600V; (2)VCEX Collector-emitter voltage VEB=2V: 600V; (3)VCBO Collector-base voltage: 600V; (4)VEBO Emitter-base voltage: 7V; (5)IC Collector current: 100A; (6)–IC Collector reverse current: DC(forward diode current): 100A; (7)PC Collector dissipation TC=25℃: 100A; (8)IB Base current DC: 6A; (9)–ICSM Surge collector reverse current(forward diode current): 1000A; (10)Tj Junction temperature: –40~+150 ℃; (11)Tstg Storage temperature: –40~+125 ℃; (12)Viso Isolation voltage: 2500V.
Features
QM100DY-H features: features: (1)IC Collector current: 100A; (2)VCEX Collector-emitter voltage: 600V; (3)hFE DC current gain: 75; (4)Insulated Type; (5)UL Recognized.
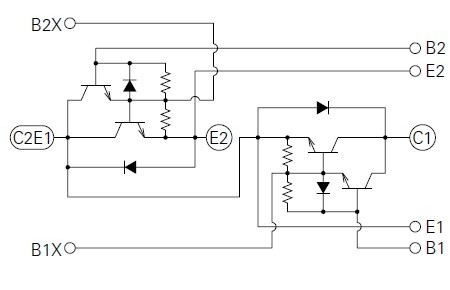
Diagrams

| Image | Part No | Mfg | Description |  | Pricing (USD) | Quantity | ||||
|---|---|---|---|---|---|---|---|---|---|---|
|  |  QM100DY-H |  Other |  |  Data Sheet |  Negotiable |  | ||||
|  |  QM100DY-HB |  Other |  |  Data Sheet |  Negotiable |  | ||||
|  |  QM100DY-HBK |  Other |  |  Data Sheet |  Negotiable |  | ||||
|  |  QM100DY-HK |  Other |  |  Data Sheet |  Negotiable |  | ||||
 (China (Mainland))
 (China (Mainland)) 
                         
                        
 
                                    




